最后编辑于: 2021-06-22 11:12 | 分类: 电子 | 标签: | 浏览数: 8773 | 评论数: 0
施密特触发器(Schmitt Trigger),简单的说就是具有滞后特性的数字传输门。
Sometimes an input signal to a digital circuit doesn't directly fit the description of a digital signal. For various reasons it may have slow rise and/or fall times, or may have acquired some noise that could be sensed by further circuitry. It may even be an analog signal whose frequency we want to measure. All of these conditions, and many others, require a specialized circuit that will "clean up" a signal and force it to true digital shape.
The required circuit is called a Schmitt Trigger. It has two possible states just like other multivibrators. However, the trigger for this circuit to change states is the input voltage level, rather than a digital pulse. That is, the output state depends on the input level, and will change only as the input crosses a pre-defined threshold.
施密特触发器最重要的特点是能够把变化缓慢的输入信号整形成边沿陡峭的矩形脉冲。同时,施密特触发器还可利用其回差电压来提高电路的抗干扰能力。它是由两级直流放大器组成,电路如图2-64所示。

两只晶体管的发射极连接在一起。
该电路也有两个稳定状态(即为双稳态电路),但它是靠电位触发的。它的两个稳态分别为 VT1饱和、VT2截止与VT2饱和、VT1截止。
两个稳态的相互转换取决于输入信号的大小,当输入信号电位达到接通电位且维持在大于接通电位时,电路保持为某一稳态;如果输人信号电位降到断开电位且维持在小于断开电位时,电路迅速翻转且保持在另一状态,该电路常用于电位鉴别、幅度鉴别以及对任意波形进行整形。
| 触发端 | 稳态 | R | C | 作用 | |
|---|---|---|---|---|---|
| 双稳态电路 | 两个 | 两个 | 无 | 无 | 保持状态,保存数据 |
| 施密特 | 一个 | 两个 | 有 | 无 | 波形变换,整形 |
| 单稳电路 | 一个 | 一个 | 有 | 有 | 定时,延时 |
| 多谐振荡器(无稳电路) | 没有 | 没有 | 有 | 有 | 信号源 |
我们知道,门电路有一个阈值电压,当输入电压从低电平上升到阈值电压或从高电平下降到阈值电压时电路的状态将发生变化。
施密特触发器是一种特殊的门电路,与普通的门电路不同,施密特触发器有两个阈值电压,分别称为正向阈值电压和负向阈值电压。
在输入信号从低电平上升到高电平的过程中使电路状态发生变化的输入电压称为正向阈值电压(VT+),在输入信号从高电平下降到低电平的过程中使电路状态发生变化的输入电压称为负向阈值电压(VT-)。正向阈值电压与负向阈值电压之差称为回差电压(△Vr)。
普通门电路的电压传输特性曲线是单调的,施密特触发器的电压传输特性曲线则是滞回的,如图2.2(a)(b)。

图2.1 用CMOS反相器构成的施密特触发器 (a)电路, (b)图形符号

图2.2 电路的电压传输特性 (a)同相输出, (b)反相输出
用普通的门电路可以构成施密特触发器[图2.1]。
因为CMOS门的输入电阻很高,所以 VTH 的输入端可以近似的看成开路。把叠加原理应用到 R1 和 R2 构成的串联电路上,我们可以推导出这个电路的正向阈值电压和负向阈值电压。
当 VI = 0 时, VO = 0 。
当 VI 从0逐渐上升到 VT+ 时, V'I 从0上升到 VTH ,电路的状态将发生变化。
我们考虑电路状态即将发生变化那一时刻的情况,因为此时电路状态尚未发生变化,所以 VO 仍然为0,
,
于是,
。
与此类似,当 VI = VDD 时, VO = VDD 。
当 VI 从 VDD 逐渐下降到 VT- 时, V'I 从 VDD 下降到 VTH ,电路的状态将发生变化。
我们考虑电路状态即将发生变化那一时刻的情况,因为此时电路状态尚未发生变化,所以 VO 仍然为 VDD = 2VTH ,
,
于是,

(更正:此公式中 VT+ 应该为 VT-)
通过调节 R1 或 R2 ,可以调节正向阈值电压和反向阈值电压。不过,这个电路有一个约束条件,就是 R1 < R2 。
如果 R1 > R2 ,那么,我们有 VT+ > 2VTH = VDD 及 VT- < 0 ,这说明,即使 VI 上升到 VDD 或下降到0,电路的状态也不会发生变化,电路处于 “自锁状态”,不能正常工作。

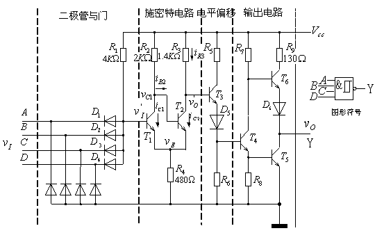
图2.3 带与非功能的TTL集成施密特触发器
集成施密特触发器比普通门电路稍微复杂一些。我们知道,普通门电路由输入级、中间级和输出级组成。如果在输入级和中间级之间插入一个施密特电路就可以构成施密特触发器[图2.3]。集成施密特触发器的正向阈值电压和反向阈值电压都是固定的。

图2.4 用施密特触发器实现波形变换
利用施密特触发器可以恢复波形。

图2.5 用施密特触发器对脉冲整形

图2.6 用施密特触发器鉴别脉冲幅度
我们尝试着分析下面给定的电路,设电容上的初始电压为0,则接通电源后Ui=0,Uo=1,于是高电平通过电阻向电容C充电,随着充电过程的进行,Ui逐渐升高,当Ui升至UT+时,电路翻转,输出Q=Uo=0,电容C放电,当Uc降至UT-时,电路再次翻转,输出高电平,C又开始充电,这样,Ui在UT+和UT-之间往复变化,输出不断高低高低变换,形成振荡。

结果,这个电路在没有外界触发的情况下,仍能输出周期变化的矩形波,我们称能够自行产生矩形波输出的器件为多谐振荡器。